Hallo Tom,
ich bin auf Trenn-MOSFET gestoßen und frage mich, ob der für mein Problem eine Lösung ist bzw. ob es nicht was einfacheres gibt.
Es geht mir um die Notstromversorgung einer Alarmanlage im Auto. Ich hab dafür schon folgendes Modul: <http://www.store.ampire.de/Sec…dNr=520E&t=6188&c=41&p=41> was aber nicht optimal funktioniert (und Diodenbasiert ist).
Ziel ist, dass beim Abklemmen der Autobatterie die Alarmanlage über eine Notstrombatterie (derzeit Panasonic LC R127R2PG, 12V 7.2 Ah) weiter betrieben werden kann. Die Alarmanlage zieht maximal 2-3 A, im Schnitt aber eher 500 mA.
Die ganze Elektronik inkl. Akku soll eigentlich nur an die Autobatterie angeschlossen werden. Im Normalfall wird die Anlage von der Autobatterie gespeist. Wenn diese abgeklemmt wird, soll die Notstrombatterie einspringen.
Wenn der Motor läuft, soll die Notstrombatterie geladen werden.
Wenn der Motor aus ist, soll die Notstrombatterie NICHT die Autobatterie leersaugen! Wie letztes Wochenende passiert, weil es vermutlich für den Notstromakku längere Zeit zu kalt war, dieser sich entladen hat und die Autobatterie immer weiter hinterher gepumpt hat ![]()
Die oben genannte Schaltung ist nur per Dioden aufgebaut. Ich vermute, dass ist der Grund, warum meine Autobatterie leer war. Es müsste doch eigentlich reichen, den Ladestrom zu begrenzen bzw. abzuschalten, wenn er unter eine bestimmte Spannung fällt oder?
Außerdem hab ich eine ziemlich unsaubere Spannung bzw. große Schwankungen, seit die Notstrombatterie inkl. des Moduls oben verbaut sind. Hab da einen Microcontroller dran, der sich regelmäßig neustartet, wenn z.B. der Motor gestartet wird. Liegt das an den Dioden? Du schreibst auf deiner Seite, dass Dioden böse sind
Selbst, wenn die Autobatterie beim Anlassen zuwenig Strom liefert, müsste die Notstrombatterie das doch eigentlich ausgleichen oder? Oder ist die zu träge und man muss zusätzlich noch mit 'nem Kondensator arbeiten?
Der Trenn-MOSFET klingt eigentlich ganz gut, aber ich vermute, dass lässt sich viel einfacher lösen (und vor allem kostengünstiger als 180 Euro). Wie gesagt: ich brauch ja auch nur 2-3 A Belastung!
Hast du da eine Lösung?
Danke im Voraus und viele Grüße,
Falko Willers=
-
-
Hallo Falko,
hier scheint mir ein einfaches Trenn-Relais das Mittel der Wahl zu sein: Funktioniert bei kleinen Akkus prima und kostet sehr wenig. Die Entladung der Starterbatterie wird damit sicher verhindert, der kleine Zweitakku bei laufendem Motor einwandfrei aufgeladen. Einziger Nachteil: Man muss ein Kabel zur Ansteuerung des Relais von der Lichtmaschine zum Trenn-Relais verlegen. Bei kleinen Akkus und Verbrauchern könnte man zur Ansteuerung des Trenn-Relais aber auch einfach Zündungsplus (Klemme 15) verwenden.
Allerdings sehe ich gewissen Schwierigkeiten entgegen, wenn man einen 7Ah-Akku mit einem Dauerentladestrom von 0,5A belastet. Das wird er nicht lange aushalten.
Grüße, Tom
-
Hi Tom,
danke für die schnelle Antwort!
An ein Relais hatte ich auch schon gedacht, aber ich will ja nur das _Laden_ des 2. Akkus verhindern, wenn die Zündung aus ist. Nicht die Versorgung der Alarmanlage etc.!
Der Notakku soll die Versorgung der Alarmanlage auch nur im Notfall übernehmen, nämlich, wenn die Startbatterie abgeklemmt wird (vom Dieb). Dann reichen denke ich auch die 7Ah (= 12-14 Stunden bei 0.5A, oder?). Sonst soll die Versorgung "normal" über die Startbatterie erfolgen.
Wenn ich den Notakku parallel zur Startbatterie anschließe (wenn auch mit Dioden getrennt, dass der Strom nur in Richtung Notakku und Verbraucher fließt) hab ich ja keine Kontrolle, welcher Akku für die Versorgung genutzt wird, oder?
Dafür such ich halt 'ne intelligente Ladeschaltung. Oder brauch ich das in der Konstellation gar nicht?
Danke und viele Grüße,Falko
-
OK, dann hatte ich das zunächst falsch verstanden. Die Alarmanlage soll also immer von der Starterbatterie versorgt werden, außer in dem Fall, dass die Starterbatterie abgeklemmt wird. Und die Zweitbatterie soll bei laufendem Motor mit geladen werden. Soweit richtig?
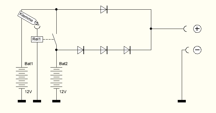
Da ist dann eine kleine Schaltung nötig, welche erkennt, wenn im primären Netz die Spannung unter eine gewisse Schwelle sinkt (Starterbatterie abgeklemmt oder Netz überlastet (Anlasser...)) und die in diesem Fall die Versorgung auf den Zweitakku umschaltet. Sowas wird manchmal im Modellbau auch gemacht, wenn gegen Ausfall eines Akkus ebgesichert werden soll. Geht ganz einfach mit den erwähnten Dioden, soweit deren Spannungsabfall nicht weiter stört. Dabei werden dann aber beide Akkus in etwa gleichmäßig belastet, soweit nicht einer (z.B. durch die laufende Lichtmaschine) eine höhere Spannung aufweist als der andere.
Hier kommt jetzt aber noch erschwerend hinzu, dass der Zweitakku von der Lichtmaschine bei laufendem Motor mit geladen werden soll. Mit Dioden allein ist das nicht sauber hinzukriegen, da sollte man also Transistoren oder Relais einsetzen, die dann entsprechend schalten.
Ich denke mir das nun so, dass von den Pluspolen beider Batterien jeweils eine Diode hin zur Alarmanlage läuft. Versorgt wird diese dann jeweils von dem Akku, der die höhere Spannungslage aufweist. Soweit die Alarmanlage es verträgt, könnte man bei der Zweitbatterie auch zwei oder drei Dioden in Reihe schalten, um durch den erhöhten Spannungsabfall zu erreichen, dass normalerweise die Starterbatterie die Speisung übernimmt. Wird jetzt die Starterbatterie abgeklemmt, sinkt die Spannung an der Alarmanlage sofort auf die Spannung der Zweitbatterie abzüglich zwei oder drei Diodenstrecken (12,5V - 1,2 bis 2V ~ 11V) ab. Damit wäre das Versorgungsproblem dann schon mal gelöst (wie gesagt: Die Alarmanlage muss in diesem Fall auch mit der geringeren Spannung von 10 bis 11V zurechtkommen, sonst geht es so nicht). Es könnte sein, dass Deine bisherige Schaltung in etwa so arbeitet. Jedenfalls erkenne ich da vier Dioden. Genau das, was ich hier auch nehmen würde.
Geladen wird dann bei laufendem Motor über ein normales Trenn-Relais, dass beide Akkus bei laufendem Motor kurzerhand parallel schaltet.

Allerdings wird auch Deine Starterbatterie bei einer Dauerstromaufnahme der Alarmanlage bei stehendem Fahrzeug von 500mA fix die Grätsche machen...
Grüße, Tom
Jetzt mitmachen!
Sie haben noch kein Benutzerkonto auf unserer Seite? Registrieren Sie sich kostenlos und nehmen Sie an unserer Community teil!