Ultimatron LFP Batterien beenden Ladevorgang nicht

  • Hallo, hänge schon länger an einem Problem dran und hoffe auf eure Hilfe.

    Ich habe in unserem Womo vor 3 Monaten die Boardbatterien auf LFP während unseres Urlaubs umgestellt. Es wurden 2x Ultimatron 180Ah verbaut. Die Ladung über Solar und Landstrom funktioniert einwandfrei.

    Bei der Rückfahrt habe ich festgestellt, dass die Batterien nicht über die Lichtmaschine geladen werden. Die Konfiguration ist die folgende:

    Lichtmaschine - Starterbatterie - Schaudt WA121545 - EBL119 - 2X Ultimatron LFP 180Ah


    Der Ladebooster ist auf Lithium und maximal 45A eingestellt. Der EBL auf Blei-Gel


    Bei Beginn der Autofahrt waren die Batterien auf 80% geladen. Die App zeigt den Ladevorgang mit 13,7 V und lädt bis 100%. Obwohl 100% Kapazität erreicht waren wird für 20Minuten mit 40A weiter geladen, bist die 50A Sicherung an der Starterbatterie auslöst. Die Spannung ist während des Ladevorgangs nicht höher als 13,8 V gestiegen. Der Fehler ist reproduzierbar.


    Frage: Warum schaltet die Boardbatterie den Ladevorgang nicht ab?

    Welche Ladespannung muss mindestens anliegen damit das BMS 100% Ladung erkennt und abschaltet?


    Vielen Dank für jeden Tip

    Torsten

  • Hallo,


    1. Weil sie nicht voll ist und

    2. eine möglichst hohe.


    14,4V wären im Grunde ausreichend, jedenfalls wenn sie auch an den Batteriepolen ankommen. Da man unter der Last des Ladestroms aber oft mit erheblichen Spannungsabfällen über Leitungen, Anschlüssen und Sicherungen rechnen muss, besonders wenn dünne Leitungen und knapp dimensionierte Kabelschuhe und Sicherungen verwendet werden, schadet eine erhöhte Ladespannung von 14,6 bis 14,8V bei Lithiumbatterien nicht. Diese werden ohnehin von einem BMS überwacht, welches selbst besser entscheiden kann, wann die Akkuzellen voll aufgeladen sind und dann selbsttätig den Ladestrom unterbricht.


    Die Anzeige der Ladezustandsanzeige (SoC - State of Charge) ist bei LFP-Batterien immer nur mit äußerster Vorsicht zu genießen, denn zuweilen zeigen diese Einrichtungen (aus technischen Gründen) Unfug an. Wenn man weiß, wie sie funktionieren und welchen technischen Beschränkungen sie unterliegen, ist diese zeitweilige Falschanzeige auch leicht nachzuvollziehen, bzw. vorhersehbar. Daher ist es besser, die Gesamtspannung der Batterie zur Abschätzung des Ladezustands im Blick zu behalten. Die ändert sich zwar zwischen 20 und 90% Ladezustand so gut wie gar nicht, aber darüber und darunter kann man sehr schön erkennen, wenn die Batterie sich nahe der Vollladung bzw. nahe des Entladeschlusses bewegt.


    Die 50A-Sicherung an der Starterbatterie ist grob falsch dimensioniert, weil deutlich zu schwach. Sie soll nur im Fall eines Kabelkurzschlusses auslösen um einen Kabelbrand zu verhindern und wäre mit robusten 200A sinnvoller ausgelegt. Jedenfalls wenn man nicht gerade nur einen 4mm²-Klingeldraht zum Ladebooster verlegt hat. Aber selbst der würde die 200A-Sicherung im Fall eines Kurzschlusses leicht zur Auslösung bringen. Niemals Schmelzsicherungen oder Sicherungsautomaten so dimensionieren, dass sie bei Normalbetrieb schon fast bei Nennleistung betrieben werden, denn dann erhitzen sie sich schon im Normalbetrieb unnötig stark, verschleißen in der Folge im Zeitraffer und werden unzuverlässig bzw. verschlechtern ihre elektrischen Betriebsdaten schnell. Bei elektronischen Sicherungen (z.B. in BMS) ist das eher kein Problem, aber auch dort werden sie sinnvollerweise mit größeren Reserven ausgelegt, um Fehlfunktionen durch unerwünschte Frühauslösungen zu vermeiden.


    Wird das Sicherungsproblem beseitigt und ist eine ausreichend dicke Leitung zum Ladebooster verlegt, gibt es auch keinen Grund mehr, die teuer bezahlte Boosterleistung unnötig zu kastrieren. Sollte dieser Weg aufgrund einer zu schwachen Lichtmaschine gewählt worden sein, empfiehlt es sich, eine deutlich stärkere einzubauen. Viele Uralt-Fahrzeuge sind mit den damals üblichen und für heutige Verhältnisse auffällig schwachen Lichtmaschinen ausgerüstet, aber die eignen sich eher nicht für solche Lasten, für die sie ja auch nicht ausgelegt wurden.


    Grüße, Tom

  • Hallo Tom,

    Vielen Dank für die schnelle Antwort. Ich müsste die Kabelquerschniite noch einmal nachmessen um sicher sagen zu können, dass 16mm2 verbaut sind, aber ich denke, das ist so. Grundsätzlich hast du Recht, dass die Sicherungen knapp bemessen sind. Wenn die App an den Batterien schon 45A angibt, dann fließen sicherlich mehr als 50A von der Lima. An dem Tip bleibe ich dran.

    Der Wagen ist 6 Jahre alt und hat mit Euro6D eine intelligente LiMa, glaube aber nicht, dass es hier ein Problem gibt. Ich prüfe noch einmal, welche Ströme geliefert werden können. Vorher waren 2x AGM 95Ah verbaut und es gab keine Probleme, allerdings war die Sichtbarkeit, welche Ströme fließen und wie der SoC ist wegen fehlender App nicht gegeben, allerdings sind die 45A vom Ladebooster die minimale Einstellung. Mich irritiert nur die geringe Ladespannung von 13,7 V beim Laden über EBL. Wenn über Landstrom oder Solar geladen wird, zeigt die App 14,4 V an.

    Kann es sein, dass das BMS aufgrund der zu niedrigen Spannung glaubt, es findet Ladungserhaltung oder Absorption statt? Kann das BMS auch die Höhe des Ladestroms reduzieren?

    Diese ganze Steuerung ist für mich leider ein Buch mit 7 Siegeln, sorry.

    Wie würdest du sinnvollerweise vorgehen, um das Problem zu lösen. Macht es sind den Ladebooster am EBL vorbei direkt mit den Batterien zu verbinden?

    Danke dir für den Gedankenaustausch

    Torsten

  • Hallo Manfred, vielen Dank für den Hinweis, das stellt noch einmal klar, dass der EBL nur rein elektrisch den Ausgang des Ladeboosters mit der Boardbatterie verbindet und nicht aktiv die Ladekurve bzgl. der Spannung verändert. Trotzdem wird durch das Einschleifen des EBLs Übergangswiderstände durch die 2x Steckverbindungen und dem internen Anschluss des Trennrelais und eines Shunts addiert. Bei 45A kommen evtl. die fehlenden 0,7V zusammen.

    Unklar bleibt für mich, ob die angezeigten 13,7 V für das BMS für die Abschaltung des Ladevorgangs zu niedrig ist oder ob die Anzeige des SoC mit 100% falsch ist und deswegen nicht abgeschaltet wird.

    Wenn ersteres stimmt frage ich mich wohin die Leistung 20 Minuten lang fließt und ob die Batterien vllt sogar zum "Kochen" gebracht wird.


    Danke für dein Input

    Grüße Torsten

  • Wenn eine Batterie noch Ladestrom aufnimmt, obwohl die App 100% Ladezustand anzeigt, dann stimmt die Anzeige der App nicht. -|- So genau darf man die SoC-Anzeige aber auch nicht nehmen, denn die App kennt den Ladezustand von Lithium-Eisen-Phosphat-Batterien sowieso nicht, sondern versucht ihn nur so in etwa zu berechnen. Also ist das kein wirkliches Problem. Der Ladestrom wird, wenn das Sicherungsproblem gelöst wurde, einfach noch etwas länger fließen, bis die Batterie voll ist und die Ladung abschaltet. Oder, falls dieser Punkt nicht erreicht wird, wird der Ladestrom, ganz ähnlich wie bei Bleibatterien üblich, immer weiter abnehmen und irgendwann Null erreichen.


    Wenn Dein Auto so modern ist, dass es Euro 6D entspricht, dann ist da auch mindestens eine 150A-Lima verbaut, vermutlich sogar noch etwas größeres. Also mehr als genug Strom, um den Booster voll aufzudrehen.


    Grüße, Tom

  • Wenn Dein Auto so modern ist, dass es Euro 6D entspricht, dann ist da auch mindestens eine 150A-Lima verbaut, vermutlich sogar noch etwas größeres. Also mehr als genug Strom, um den Booster voll aufzudrehen.


    Grüße, Tom

    Servus,

    die Spannung des Boosters geht auch über den EFL119 in die Starterbatterie, sodass die Starterbatterie voll ist, die Lima nicht mehr gebraucht wird und diese vom System abgeschaltet wird, während der Booster weiterhin seine Arbeit tut, und sein Ziel 14.4V nicht errreicht. Das System wird durch die schmelzende Sicherung gerettet. Diese Parallelschaltung tritt lt. Anleitung nur bei Motor D+ ein. Starter - und Bordbattereie haben dieselbe Spannung, weil ja parallel. Ohne D+ mit Ladung von Landstrom oder Solar sollte das System funktionieren. Ich würde provisorisch alle Leitungen, Zuerst minus und danach Plus, von den Bordbatterien abklemmen, und nur den Booster anschliessen. Vielleicht genügt es D+ abzuklemmen. Das muss man sich anschauen.

    Meine Meinung, m2ct

    lg

    Manfred

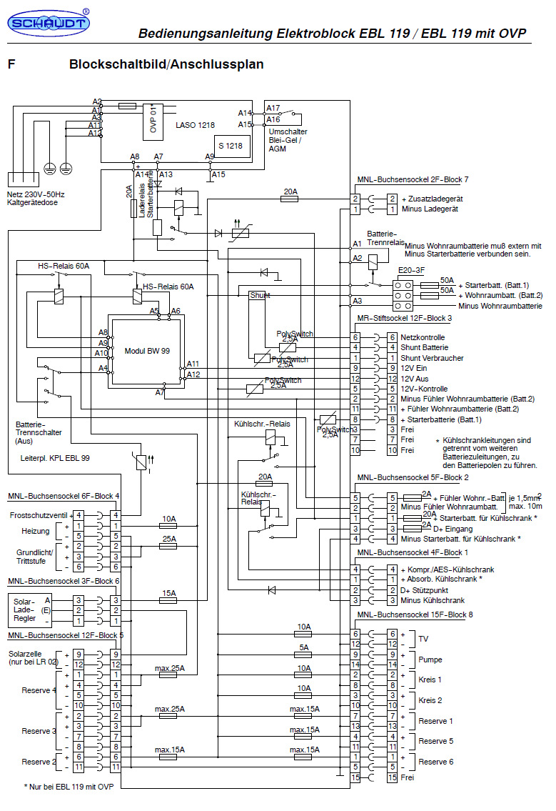
  • Dass ein Ladebooster seine Versorgung aus der Starterbatterie erhält und seine Ausgangsspannung dann wieder zur Starterbatterie zurückführt, ergäbe keinen Sinn. Das ist hier auch mit Sicherheit nicht der Fall. Lt. des mir vorliegenden Schaltplans des Schaudt EBL 119 wird D+ aber benötigt, um u.a. das Trenn-Relais, bzw. in diesem Fall, den Ladebooster zu schalten.


    Bild 1: Schaltbild des Schaudt EBL 119


    Grüße, Tom

  • OK,

    vielleicht reicht es, bei bei Booster Betrieb probeweise E20-3F 50A Starterbatterie Bat 1 die 50A Fuse zu ziehen. Dann ist die Parallelschaltung aufgehoben, und die LiFePo Spannung kann weiter steigen.

    Bei Parallelschaltung entläd die Starterbatterie die LiFePo mit hohem Strom, bis beide dieselbe Spannung haben.

    Landstrom und Solar funktionieren, da ist D+ ( Motor an ) nicht bespannt, und das Trennrelais ist offen.

    Das Trennrelais war in der techn. Vorsteinzeit zum parallel Laden der Blei Starter- und Blei Aufbaubatterie ohne DC/DC Wandler ( auf Neuhochdeutsch Booster ) vorgesehen, das macht Euro 6 nicht. Euro 6 geht nicht auf konstant 14,4V. Der Booster versucht die Spannung anzuheben, und übernimmt so die gesamte Versorgung des Systems, während die Lima schlafen geht. Euro6, Booster und EBL 119 behindern sich gegenseitig und sind nicht als Team geeignet. Soweit ich weiss, wird die EBL 119 nicht mehr gebaut.

    lippertcomponents.eu

    Kannst Du meinen vielleicht wirren Überlegungen folgen? Oder ist Alles Quatsch:doing:

    m2ct

    Manfred

  • Hallo

    Manfred, wie schon gesagt ist auch nicht die Starterbatterie direkt an den Klemmen E20-3F angeschlossen sondern die Reihenschaltung aus Starterbatterie und Ladebooster. Eine Speisung der Starterbatterie während der Fahrt rückwärts durch den Booster kann ich mir nicht vorstellen.

    Die Ladung der Starterbatterie über Landstrom erfolgt nach meinem Verständnis über den Block3 Pin8.

    Tom, deine Einschätzung über die ungenaue Schätzungen des SoC hilft mir hier echt weiter. Ich werde die Querschnitte prüfen und falls dick genug mal eine 60A Sicherung einsetzen.

    Alle Leitungen richtig dick auszulegen um die theoretischen 70A , die der Booster liefern könnte, wird ein Höllenaufwand, weil beim Kastenwagen alles unter den Frontsitzen bzw im Boden verlegt ist.

    Wenn ich vor 6 Jahren den heutigen Kenntnisstand gehabt hätte, wäre es von Anfang an gleich vernünftig ausgelegt worden.

    Euch beiden vielen Dank für die Beiträge.

    Grüße Torsten

    Anschluss Ladebooster an EBL.PDF

    Die Sicherungswerte entsprechen nicht den tatsächlichen Werten

  • Hallo Manfred, sehe gerade deinen neuen Beitrag. Wenn ich die 50A Sicherung ziehe ist auch die Starterbatterie abgehängt und der Booster hat keine Stromquelle mehr. Das ist ja genau mein Fehlerfall, wenn die Sicherung durchgeknallt ist.

    Grüße Torsten

  • Hi Manfred.

    Es stimmt schon, dass mit aktivem D+ Batt1 mit Batt2 Anschluss verbunden werden, nur dass bei mir der Booster an Batt1 angeschlossen ist. Somit gibt es keine elektrische Verbindung zur Starterbatterie und damit auch kein Potentialausgleich zwischen Starter- und Boardbatterie.

    Grüße Torsten

  • Nur zur Info:


    Ich habe den Ultimatron Support angeschrieben mit folgenden Fragen.

    Frage: Warum schaltet die Boardbatterie den Ladevorgang nicht ab?

    Welche Ladespannung muss mindestens anliegen damit das BMS 100% Ladung erkennt und abschaltet?

    Kann es sein, dass der SoC zwar mit 100% angezeigt wird, aber tatsächlich sind die Batterien noch nicht voll, so dass der Ladevorgang weiterläuft?


    Die Antwort kam heute am gleichen Tag:

    1️⃣ Warum schaltet die Batterie beim Erreichen von 100% nicht ab?

    Es ist wichtig zu verstehen, dass LiFePO4-Batterien nicht automatisch die Ladung unterbrechen, nur weil der SoC 100% anzeigt.

    Das BMS unterbricht die Ladung nur in folgenden Fällen:

    • Die Ladespannung überschreitet die Schutzgrenze (in der Regel ≥14,6 V)
    • Die Zellenspannung erreicht die Überladeschutzgrenze
    • Übertemperaturschutz
    • Überstromschutz

    In Ihrem System beträgt die maximale Ladespannung jedoch nur 13,7–13,8 V, was deutlich unter der Volladungsspannung der Lithiumbatterien liegt.

    Daher:
    👉 Das BMS löst keinen Überladeschutz aus
    👉 Es stoppt die Ladung nicht automatisch

    Der Strom fließt weiterhin in die Batterie.


    2️⃣ Minimale Ladespannung, damit das BMS 100% erkennt und die Ladung stoppt

    Die Batteriespannung bei voller Ladung liegt normalerweise bei 14,2 V–14,6 V.


    3️⃣ SoC zeigt 100% an, aber die Batterie ist tatsächlich noch nicht voll

    Dies ist durchaus möglich.


    Um Ihnen bei der weiteren Fehlersuche besser helfen zu können, bitte ich Sie, uns die Seriennummer der Batterie mitzuteilen, damit wir den Batteriestatus aus der Ferne prüfen und den Ladevorgang bestätigen können.

    Mit freundlichen Grüßen


    Was haltet ihr davon ?

    Grüße Torsten

  • Hallo zusammen

    habe jetzt die Leitungsdurchmesser geprüft und die 50A Sicherung an der Starterbatterie durch eine 60A Sicherung getauscht. Das Ergebnis ist leider das gleiche. Die Batterien wurden mit 40A bis 45A bei 13,1V geladen. Die Spannung ging während der Fahrt maximal bis 13,4 V hoch. Dann wurden wieder 100% Kapazität angezeigt, aber die Ladung ging weiter. Die einzelnen Batterien zeigten 179,1 Ah von 180 Ah an. Nach diesmal 25 Minuten ist die Sicherung wieder geflogen.

    Für mich sieht es so, dass die Ladespannung höher sein muss, werde also als nächstes den Booster direkt an die Batterien anschließen.


    Was sagt ihr dazu?


    Grüße Torsten

  • Thema Sicherungsauslegung:


    Wenn eine Schmelzsicherung reproduzierbar immer schon nach kurzer Zeit auslöst, liegt das daran, dass sie zu heiß wird. Das wiederum kann daran liegen, dass der Strom zu hoch ist, oder die Sicherung ihre im Betrieb bei Nennstrom entstehende Wärme nicht an die Umgebung abgeben kann. Wenn die Schmelzsicherung nicht gerade in thermisch isolierendem Material eingepackt wurde, wird man also davon ausgehen müssen, dass der durchfließende Strom zu hoch wurde. Die technische Definition der Auslösebedingungen von Schmelzsicherungen sind überraschend komplex. Viele Verwender gehen einfach davon aus, dass eine 50A-Sicherung dauerhaft 50A durchleiten kann, aber bei einem Strom von 51A sofort auslöst. Aber das ist natürlich eine idealisierte Vorstellung, die in der Praxis nicht zutrifft. Immer spielen die Art einer Sicherung und deren Montageumgebung, sowie die fließenden Ströme eine wesentliche Rolle beim Betriebsverhalten einer Sicherung: Im Betrieb bei höheren Strömen entsteht Wärme, durch welche sich Sicherung und Sicherungshalter aufheizen. Auch die Zu- und Ableitungskabel tragen, abhängig von ihrer Dimensionierung, zu dieser Aufheizung bei. Wie ich oben schon schrieb, empfiehlt es sich, eine solche Kurzschluss-Schmelzsicherung deutlich stärker auszulegen, als der im Normalbetrieb zu erwartende Strom. Wenn man bei einem Ladebooster, der maximal etwa 60A liefern kann, die Eingangssicherung dimensioniert, sollte man durchaus mit einem dauerhaft fließendem Eingangsstrom von 100A rechnen. Da ergibt dann der Einsatz einer 50 oder 60A-Sicherung keinen Sinn, weil die natürlich schon nach relativ kurzer Zeit auslösen wird. Also sollte man die Sicherung so auslegen, dass sie zwar in jedem Fall bei einem Kabelkurzschluss sicher und schnell auslöst, aber eben nicht im normalen Betrieb. Aus diesem Grund hatte ich für diesen Zweck einen Sicherungs-Nennstrom von 200A für Kabelsicherungen empfohlen, der sich bei solcherart Installationen gut bewährt hat.


    Thema Ladezustandskontrolle (SoC-Anzeige):


    Dass es mit dieser im Grunde einfachen Anzeige des Batterie-Ladezustands in der Praxis überraschend viele Problem gibt, ist schon leicht daran zu erkennen, dass sich geschätzt 15% des Umfangs dieses Forums allein mit diesem Thema beschäftigen muss. :rolleyes:


    Viele Lithium-Batterie-Anwender gehen fälschlicherweise davon aus, dass die Ladezustandsanzeige einer Lithium-Batterie eine Messung ist, wie z.B. die Messung der Batteriespannung oder des fließenden Stroms.



    Das ist aber nicht der Fall!


    Bei Bleibatterien kann man mit einer gewissen Genauigkeit von der Batteriespannung auf den Ladezustand der Batterie schließen. Bei Lithium-Batterien ist das aber nur schwer möglich, besonders bei Lithium-Eisen-Phosphat-Batterien klappt das wegen ihrer stark unlinear verlaufenden Kennlinie nur im Bereich der Vollladung, bzw. wenn sie leer oder zumindest fast leer sind. Wenn man den Spannungsverlauf über den Ladezustand einer LiFePO4-Batterie betrachtet, versteht man schnell, woran das liegt:

    Bild 1: Spannungsverlauf einer LiFePO4-Akkuzelle über ihren Ladezustand


    Denn im Bereich zwischen etwa 10 und 95% Ladezustand (SoC) ändert sich die Batteriespannung fast gar nicht. :!:


    Hinzu kommt, dass durch Lade- oder Entladeströme Änderungen der Batteriespannung durch den unvermeidlichen Innenwiderstand der Batterie entstehen. Die Spannungsabfälle oder -anstiege wegen des Batterie-Innenwiderstands überlagern sich der eigentlichen Batteriespannung in Ruhe, was es praktisch sinnlos macht, von den äußerst geringen Batteriespannungsänderungen einer LiFePO4-Batterie im mittleren Ladungsbereich auf ihren Ladezustand zu schließen. Wie gesagt: Im Bereich einer leeren oder vollen LiFePO4-Batterien klappt das ganz vorzüglich, aber in den ca. 85% dazwischen erbringt eine solche Ableitung keinen nützlichen Erkenntnisgewinn. Also müssen die BMS und Batteriecomputer, welcher eine Ladezustandskontrolle durchführen, hierfür andere Mechanismen verwenden, als die einfache Umrechnung von Batteriespannung auf SoC.


    Genau das wird auch gemacht und zwar in der Art, dass die Messeinrichtung die in die Batterie hinein- und herausfließenden Ströme misst, sowie die Dauer, in welcher diese Ströme fließen. Auf diese Weise kann die Zu- oder Abnahme der Ladung einer Batterie saldierend bestimmt werden. Dazu müssen das BMS bzw. der Batteriecomputer natürlich einerseits die Kapazität der Batterie kennen und zum anderen die zur Saldierung des SoC herangezogenen Ströme genau messen. Und sie müssen signalisiert bekommen, wann eine Batterie voll ist und wann leer. Diese Signalisierung von Lade- und Entladeschluss erfolgt durch die Batteriespannung (bzw. durch die Spannung der Einzelzellen), da diese Ladezustände wie im obigen Bild gezeigt leicht über die Spannung ermittelt werden können.


    Es wird deshalb klar, dass die Präzision dieser Saldierung sehr stark von der Genauigkeit der Strommessung abhängt: Lässt aber die Messgenauigkeit der Strommessung schon zu wünschen übrig, kann die Saldierung nicht genau arbeiten. :!:


    Aber genau an dieser Messgenauigkeit bei kleinen Strömen mangelt es bei den Strom-Messshunts fast aller BMS: Denn da die Messshunts in BMS auch Kurzschlussströme messen und aushalten müssen, um im Kurzschlussfall einen solchen sehr schnell zu erkennen und eine Stromabschaltung schon in nur wenigen Mikrosekunden zu ermöglichen, müssen sie für sehr große Ströme im kA-Bereich ausgelegt werden. Diese Auslegung auf sehr große Ströme macht es aber unmöglich, zugleich auch sehr kleine Ströme genau erfassen zu können. Deshalb leiden alle BMS-SoC-Anzeigen an dem Problem, im Bereich kleiner Ströme von weniger als 1 bis 2A, noch exakte Messergebnisse zu liefern, da die untere Grenze der Messauflösung leider recht hoch liegt. Typischerweise wird bei Strömen von weniger als 1A stets Null gemessen, also gar keine Strom. Allerdings kommt es in sehr vielen Fällen vor - wenn nicht in den meisten - dass solche kleinen Ströme in der Praxis durchaus über sehr lange Zeit fließen. Sie tun das von der Ladezustandskontrolle unbemerkt und werden deshalb auch nicht korrekt auf die zu erwartende Restkapazität der Batterie saldiert. Das können geringe Entladeströme durch Ruheströme von Geräten sein, die Stromaufnahmen kleiner Geräte von weniger als 1A, aber auch die Ladeströme von Solaranlagen, die bei beim Übergang zwischen Dunkel- und Hellzeiten zwangsläufig ja stets diesen Strombereich durchlaufen müssen.


    Aus diesem Grund reicht auch die Saldierung allein nicht aus, um den Ladezustand einer LiFePO4-Batterien wirklich ausreichend genau zu bestimmen und es müssen weitere Messpunkte herangezogen werden. Hierzu werden dann die Spannungsniveaus von Ladeschluss (LiFePO4-Zelle: 3,65V) und Entladeschluss (LiFePO4-Zellen: 2,2 - 2,5V) herangezogen. Werden diese Werte erreicht, erfolgt jeweils der RESET auf 100%, bzw. 0% SoC.


    Genau das ist z.B. auch der Grund, weshalb ein zuvor im mittleren Bereich liegender SoC-Wert ganz plötzlich auf 0% oder auch auf 100% SoC springen kann. Hier liegt aber kein Defekt vor, sondern die Saldierung hat den Ladezustand zuvor falsch ermittelt und nun wurde - unbemerkt - ein RESET-Spannungswert erreicht, der den SoC auf 0% oder aber auch auf 100% gesetzt hat.


    Ein für die meisten Batterie-Anwender völlig unsinniges Verhalten einer Ladeztustandsanzeige. Wenn man aber weiß, warum das passiert, versteht man schlagartig die Hintergründe. Und man hört dann auch auf, immer nur tumb auf den SoC-Wert zu starren und schaut sich lieber die angezeigte Batteriespannung an. Denn wenn die bei einer 12,8V LiFePO4-Batterie nur noch 12,5V beträgt, macht die Anzeige eines SoC von 95% natürlich keinen Sinn. :/


    Nun hat sich aber in der Praxis ergeben, dass viele 12V-Ladestromquellen in Kundeninstallationen gar nicht die LiFePO4-Ladeschlussspannung von 4 x 3,65V = 14,6V erreichen, sondern oft schon lange vor dieser Spannung, z.B. bei Erreichen von 14,4V abschalten, oder zuweilen sogar bei noch geringerer Spannung. In diesem Fällen würde die Ladezustandsanzeige der Batterie natürlich niemals auf 100% gesetzt werden, wenn das BMS so konfiguriert wäre, dass es darauf warten müsste, dass 14,6V erreicht werden. Bei vielen LiFePO4-Batterrieanwendern sind jedoch Ladestromquellen (Solarregler, Netzladegeräte, Ladebooster...) mit deutlich niedrigerer Ladeschlussspannung im Einsatz. Also versuchen die Batteriehersteller hierdurch entstehende Probleme dadurch vorzubeugen, dass sie die Kalibrierungspunkte zur Signalisierung der Vollladung deutlich niedriger ansetzen, weil sonst beim Support der Batteriehersteller und -händler ständige die Telefone klingeln, weil verwirrte Kunden fragen, weshalb die Ladezustände nicht korrekt angezeigt werden. Und da man an der Länge allein dieses Textes schon feststellen kann, dass dieser Sachverhalt nicht gut und verständlich in zwei Sätzen zu erklären ist, wird dann die zum RESET des Ladezustands auf 100% benötigte Batteriespannung von den Batterieherstellern gern auf 13,8V oder sogar noch niedriger festgelegt.


    Es braucht deshalb nicht zu verwundern, wenn eine LiFePO4-Batterie bei einer so niedrigen Spannung noch immer Ladestrom aufnimmt, bevor das BMS dann bei 14,6V (bzw. dem Erreichen der ersten Einzelzelle von 3,65V) die Ladung beendet.


    Tipp:

    Wer eine möglichst genau anzeigende SoC-Anzeige wünscht, kommt nicht umhin, zusätzlich zu der im BMS arbeitenden SoC-Anzeige noch einen Batteriecomputer anzuschaffen. Der arbeitet zwar genauso wie die Ladezustandskontrolle des BMS, misst aber bei sinnvoller Auslegung auf die im Normalbetrieb maximal zu erwartenden Ströme (meist etwa 200A) viel genauer im unteren Strombereich, auch bis weit unter 1A. Das hilft bei Leuten mit Solaranlage u.ä. Komponenten, welche für längere Zeit sehr kleine Ströme fließen lassen, sehr dabei, ein genaueres Saldierungsergebnis der Ladezustandsanzeige zu bekommen.


    Bild 2: Batteriecomputer als sinnvolles Zubehör für LiFePO4-Batterien


    Grüße, Tom

  • Hallo Tom,

    Es sind nun einige Wochen seit deinem letzten Post vergangen. Es hat diese Zeit gebraucht um wirklich zu verstehen, was los ist und um dir final Recht zu geben. Du hast vor allem in der kleinen Abhandlung viel Wissen vermittelt und mir damit sehr geholfen.

    Dafür möchte ich mich sehr herzlich bedanken!


    Besonders die Einschätzung, dass kleine Entladeströme zur falschen SoC Anzeige führen, und man besser der Batteriespannung glaubt, wenn gerade kaum Leistung verbraucht wird, ist entscheidend. Es gibt eine Möglichkeit die SoC Anzeige in der App zu synchronisieren, und wenn diese dann von 100% auf 60% springt, werden einem spätestens die Augen geöffnet.

    Kurzum, dank deiner Hilfe habe ich mein Problem hoffentlich dauerhaft lösen können und schaue jetzt öfters auf die Batteriespannung und weniger auf den SoC.

    Noch einmal vielen Dank für Deine Ratschläge und Wissensvermittlung.

    Grüße Torsten

Jetzt mitmachen!

Sie haben noch kein Benutzerkonto auf unserer Seite? Registrieren Sie sich kostenlos und nehmen Sie an unserer Community teil!